復雜的事情簡單做
簡單的事情重復做
重復的事情用心做
現代制造業的轉型升級,使得制造現場在追求高品質、高效率的同時,也需要在節能與空間方面作出考慮。于是,EN550系列產品便應運而生。

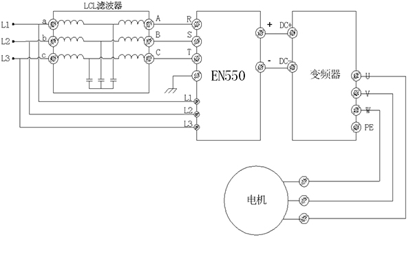
EN550系列整流回饋單元是在易能電氣多年技術積累平臺上開發出來的一系列主動式前端單元,此款產品采用先進的核心算法具有自主知識產權。可以將電機調速過程中所產生的再生電能回饋至電網,避免采用常規能耗式制動單元的能量損耗,從而達到節能效果。適用于行車、提升機、塔吊、磕頭機、離心機,以及建材和礦山行業等領域。

產品優勢
具備整流回饋功能,既可組網四象限,又可回饋電網電能;
具備穩壓功能,維持恒定的直流環節電壓;
具備相序自動識別功能,動態響應速度快;
全系列書本化整機造型設計,最大限度節省安裝空間。
穩壓精度高,諧波含量小

功率因數高,整機效率高


標配LCL濾波器保證高性能指標

采用高效精準的熱仿真平臺設計,保障整機的熱可靠性

行業應用

? 4000-711-088
深圳市南山區桃源街道麗山路大學城創業園1503室
0755-26985120
info@enc.net.cn