恒壓供水是國民生產生活中不可缺少的重要一環。傳統供水方式占地面積大,水質易污染,基建投資多,而最主要的缺點是水壓不能保持恒定,導致部分設備不能正常工作,此時便需要用到變頻調速技術。背負式變頻恒壓供水系統比傳統的鐵架式變頻機組具有成本上的優勢,背負式變頻恒壓供水機組集成變頻器、止回閥、壓力罐、傳感器于一體可實現自動變頻穩壓運行,為用戶提供舒適的用水體驗。其廣泛應用于樓宇給水、二次增壓、小區及別墅、工業醫藥,化工、公共醫院、學校等場所小型水泵供水系統。
易能EDS310系列變頻器已完美搭配各知名品牌水泵,組成背負式變頻恒壓供水系統,并成熟應用在小區、別墅,建筑工地等場所,使供水系統智能精準,節能降耗,深得用戶信賴。

系統配置
每套背負式恒壓供水系統采用一臺易能EDS310變頻器,EDS310出廠配有可移動式安裝底板,可適配不同品牌水泵及不同規格壓力罐來進行背負安裝,也可按用戶需求將變頻器單獨安裝在配電箱中。用戶通過在變頻器面板上操作即可實現各種功能要求及運行模式,可將至少2臺最多5臺EDS310聯機組網供水。

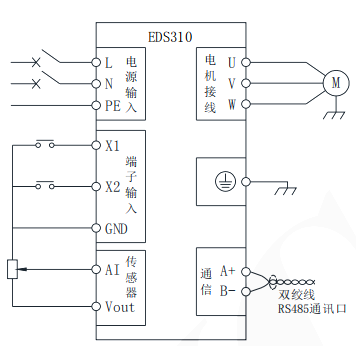
變頻器接線示意圖

變頻器部分參數設置

應用優勢
·EDS310采用一體化背負式設計,簡約精巧,和水泵搭配渾然一體,節省布線和控制柜成本;防護等級IP54,在潮濕等惡劣環境下可放心使用。
·自帶移動式安裝底板,可適配各品牌水泵及不同規格壓力罐,免去安裝煩惱。
·EDS310使供水系統精準智能,節能降耗。具備優秀的軟件算法,輸出波形平穩,噪音低,使水泵靜謐運行;深度優化PID供水控制,快速穩壓,啟動運行無過壓,徹底解決用戶熱水系統忽冷忽熱等現象。實時檢測用水情況,用水時啟動,不用則及時休眠停機。
·全變頻多聯機,單機恒壓和調頻等模式。聯機時,可根據用戶用水情況自動增減水泵;定時輪泵,平衡水泵運行時間;主機故障時,可自動切換備用主機,保證系統用水正常,延長系統使用壽命。
·面板同時顯示設定和反饋壓力,且支持快捷調試功能。操作鍵盤按鍵即可切換電機轉向、恒壓供水、緊急供水,常用壓力表量程,省去換線和修改參數等不便操作,使用便捷。
·EDS310具備高低壓、缺水檢測報警、防銹防凍、過流、過壓、欠壓、過載等保護功能。實現全方位保護水泵和管網,使系統運行穩定可靠。
? 4000-711-088
深圳市南山區桃源街道麗山路大學城創業園1503室
0755-26985120
info@enc.net.cn